ΠΡΠΎΠ΅ΠΊΡ AERIS-10 ΡΠ°Π·ΡΠ°Π±ΠΎΡΠ°Π» ΠΏΠΎΠ»Π½ΠΎΡΡΡΡ ΠΎΡΠΊΡΡΡΡΡ ΠΌΠΎΠ΄ΡΠ»ΡΠ½ΡΡ ΡΠ°Π΄ΠΈΠΎΠ»ΠΎΠΊΠ°ΡΠΈΠΎΠ½Π½ΡΡ ΡΡΠ°Π½ΡΠΈΡ (ΡΠ°Π΄Π°Ρ), ΠΊΠΎΡΠΎΡΡΡ ΠΌΠΎΠΆΠ½ΠΎ ΠΈΡΠΏΠΎΠ»ΡΠ·ΠΎΠ²Π°ΡΡ Π² ΠΊΠ°ΡΠ΅ΡΡΠ²Π΅ ΠΏΠ»Π°ΡΡΠΎΡΠΌΡ Π΄Π»Ρ ΠΏΡΠΎΠ²Π΅Π΄Π΅Π½ΠΈΡ ΡΠΊΡΠΏΠ΅ΡΠΈΠΌΠ΅Π½ΡΠΎΠ² c ΡΠ°Π·ΠΈΡΠΎΠ²Π°Π½Π½ΡΠΌΠΈ Π°Π½ΡΠ΅Π½Π½ΡΠΌΠΈ ΡΠ΅ΡΡΡΠΊΠ°ΠΌΠΈ, ΡΠΆΠ°ΡΠΈΠ΅ΠΌ ΠΈΠΌΠΏΡΠ»ΡΡΠΎΠ², Π΄ΠΎΠΏΠ»Π΅ΡΠΎΠ²ΡΠΊΠΎΠΉ ΠΎΠ±ΡΠ°Π±ΠΎΡΠΊΠΎΠΉ ΡΠΈΠ³Π½Π°Π»ΠΎΠ² ΠΈ ΠΎΡΡΠ»Π΅ΠΆΠΈΠ²Π°Π½ΠΈΠ΅ΠΌ ΡΠ΅Π»Π΅ΠΉ. ΠΠΎΠ»Π½ΡΠ΅ ΡΡ Π΅ΠΌΡ, ΡΠ°ΡΠΏΠ°ΠΉΠΊΠΈ ΠΏΠ΅ΡΠ°ΡΠ½ΡΡ ΠΏΠ»Π°Ρ, ΡΠΏΠΈΡΠΊΠΈ ΠΊΠΎΠΌΠΏΠ»Π΅ΠΊΡΡΡΡΠΈΡ (BOM), Gerber-ΡΠ°Π»Ρ Π΄Π»Ρ ΠΈΠ·Π³ΠΎΡΠΎΠ²Π»Π΅Π½ΠΈΡ ΠΏΠ»Π°Ρ, ΠΌΠ°ΠΊΠ΅ΡΡ Π΄Π»Ρ 3D-ΠΏΠ΅ΡΠ°ΡΠΈ ΠΈ ΠΎΠΏΠΈΡΠ°Π½ΠΈΡ Π°ΠΏΠΏΠ°ΡΠ°ΡΠ½ΡΡ Π±Π»ΠΎΠΊΠΎΠ² Π½Π° ΡΠ·ΡΠΊΠ°Ρ Verilog/VHDL ΡΠ°ΡΠΏΡΠΎΡΡΡΠ°Π½ΡΡΡΡΡ ΠΏΠΎΠ΄ Π»ΠΈΡΠ΅Π½Π·ΠΈΠ΅ΠΉ CERN-OHL-P (CERN Open Hardware Licence). ΠΠΎΠ΄ ΠΏΡΠΎΡΠΈΠ²ΠΊΠΈ Π΄Π»Ρ ΠΌΠΈΠΊΡΠΎΠΊΠΎΠ½ΡΡΠΎΠ»Π»Π΅ΡΠ° STM32, Π²ΡΠΏΠΎΠΌΠΎΠ³Π°ΡΠ΅Π»ΡΠ½ΡΠ΅ ΡΡΠΈΠ»ΠΈΡΡ Π½Π° Π‘ΠΈ ΠΈ Π³ΡΠ°ΡΠΈΡΠ΅ΡΠΊΠΈΠΉ ΠΈΠ½ΡΠ΅ΡΡΠ΅ΠΉΡ Π½Π° Python ΠΏΠΎΡΡΠ°Π²Π»ΡΡΡΡΡ ΠΏΠΎΠ΄ Π»ΠΈΡΠ΅Π½Π·ΠΈΠ΅ΠΉ MIT.
ΠΠΎΠ΄Π³ΠΎΡΠΎΠ²Π»Π΅Π½ΠΎ Π΄Π²Π° Π²Π°ΡΠΈΠ°Π½ΡΠ° ΡΠ°Π΄ΠΈΠΎΠ»ΠΎΠΊΠ°ΡΠΈΠΎΠ½Π½ΠΎΠΉ ΡΡΠ°Π½ΡΠΈΠΈ Π½Π° ΡΠ°Π·ΠΈΡΠΎΠ²Π°Π½Π½ΡΡ Π°Π½ΡΠ΅Π½Π½ΡΡ ΡΠ΅ΡΡΡΠΊΠ°Ρ β AERIS-10N (Nexus) ΠΈ AERIS-10E (Extended). ΠΠ±Π° Π²Π°ΡΠΈΠ°Π½ΡΠ° ΠΈΡΠΏΠΎΠ»ΡΠ·ΡΡΡ ΡΠ°ΡΡΠΎΡΡ 10.5 ΠΠΡ ΠΈ ΠΈΡΠΏΠΎΠ»ΡΠ·ΡΡΡ ΠΈΠΌΠΏΡΠ»ΡΡΠ½ΡΡ Π»ΠΈΠ½Π΅ΠΉΠ½ΡΡ ΡΠ°ΡΡΠΎΡΠ½ΡΡ ΠΌΠΎΠ΄ΡΠ»ΡΡΠΈΡ (LFM). ΠΡΠ»ΠΈΡΠΈΡ ΡΠ²ΠΎΠ΄ΡΡΡΡ ΠΊ ΠΌΠΎΡΠ½ΠΎΡΡΠΈ ΠΈΠ·Π»ΡΡΠ΅Π½ΠΈΡ (1Wx16 ΠΈ 10Wx16), Π° ΡΠ°ΠΊΠΆΠ΅ ΠΈΡΠΏΠΎΠ»ΡΠ·ΠΎΠ²Π°Π½ΠΈΡ ΠΌΠ°ΡΡΠΈΠ²Π° ΠΏΠ»ΠΎΡΠΊΠΎΡΡΠ½ΡΡ Π°Π½ΡΠ΅Π½Π½ 8Γ16 ΠΈ ΠΌΠ°ΡΡΠΈΠ²Π° ΡΠ΅Π»Π΅Π²ΡΡ ΠΈΠ·Π»ΡΡΠ°ΡΠ΅Π»Π΅ΠΉ Π² Π΄ΠΈΡΠ»Π΅ΠΊΡΡΠΈΡΠ΅ΡΠΊΠΈ Π·Π°ΠΏΠΎΠ»Π½Π΅Π½Π½ΠΎΠΌ Π²ΠΎΠ»Π½ΠΎΠ²ΠΎΠ΄Π΅ 32Γ16, ΠΎΠ±Π΅ΡΠΏΠ΅ΡΠΈΠ²Π°ΡΡΠΈΡ Π΄Π°Π»ΡΠ½ΠΎΡΡΡ Π΄Π΅ΠΉΡΡΠ²ΠΈΡ Π΄ΠΎ 3 ΠΊΠΌ ΠΈ 20 ΠΊΠΌ, ΡΠΎΠΎΡΠ²Π΅ΡΡΡΠ²Π΅Π½Π½ΠΎ.
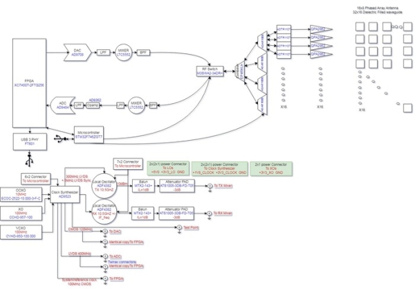
Π‘ΠΈΡΡΠ΅ΠΌΠ° ΠΌΠΎΠ΄ΡΠ»ΡΠ½Π°Ρ Ρ ΡΠ°Π·Π΄Π΅Π»ΡΠ½ΡΠΌΠΈ ΠΏΠ»Π°ΡΠ°ΠΌΠΈ ΡΠΏΡΠ°Π²Π»Π΅Π½ΠΈΡ ΠΏΠΈΡΠ°Π½ΠΈΠ΅ΠΌ, Π³Π΅Π½Π΅ΡΠ°ΡΠΈΠΈ ΡΠ°ΡΡΠΎΡ ΠΈ RF-Π±Π»ΠΎΠΊΠ°ΠΌΠΈ. ΠΠ»Ρ ΠΎΠ±ΡΠ°Π±ΠΎΡΠΊΠΈ ΡΠΈΠ³Π½Π°Π»ΠΎΠ², ΡΠΆΠ°ΡΠΈΡ ΠΈΠΌΠΏΡΠ»ΡΡΠΎΠ², Π²ΡΡΠΈΡΠ»Π΅Π½ΠΈΡ ΡΠΊΠΎΡΠΎΡΡΠΈ ΠΎΠ±ΡΠ΅ΠΊΡΠ° ΠΏΡΠΈ ΠΏΠΎΠΌΠΎΡΠΈ Π΄ΠΎΠΏΠ»Π΅ΡΠΎΠ²ΡΠΊΠΎΠ³ΠΎ Π±ΡΡΡΡΠΎΠ³ΠΎ ΠΏΡΠ΅ΠΎΠ±ΡΠ°Π·ΠΎΠ²Π°Π½ΠΈΡ Π€ΡΡΡΠ΅, ΠΈΡΠΊΠ»ΡΡΠ΅Π½ΠΈΡ Π½Π΅ΠΏΠΎΠ΄Π²ΠΈΠΆΠ½ΡΡ ΠΎΠ±ΡΠ΅ΠΊΡΠΎΠ² (MTI) ΠΈ ΠΎΠ±Π΅ΡΠΏΠ΅ΡΠ΅Π½ΠΈΡ ΠΏΠΎΡΡΠΎΡΠ½Π½ΠΎΠ³ΠΎ ΡΡΠΎΠ²Π½Ρ Π»ΠΎΠΆΠ½ΡΡ ΡΡΠ΅Π²ΠΎΠ³ (CFAR) Π·Π°Π΄Π΅ΠΉΡΡΠ²ΠΎΠ²Π°Π½ FPGA XC7A100T. Π£ΠΏΡΠ°Π²Π»Π΅Π½ΠΈΠ΅ ΡΠ°Π±ΠΎΡΠΎΠΉ ΠΈ Π½Π°ΡΡΡΠΎΠΉΠΊΠ° ΠΏΠ΅ΡΠΈΡΠ΅ΡΠΈΠΉΠ½ΡΡ ΡΡΡΡΠΎΠΉΡΡΠ² ΠΎΡΡΡΠ΅ΡΡΠ²Π»ΡΠ΅ΡΡΡ ΠΏΡΠΈ ΠΏΠΎΠΌΠΎΡΠΈ ΠΌΠΈΠΊΡΠΎΠΊΠΎΠ½ΡΡΠΎΠ»Π»Π΅ΡΠ° STM32F746xx.

ΠΠΎΡΡΠ΅ΠΊΡΠΈΡΠΎΠ²ΠΊΠ° ΠΏΠΎΠ»ΠΎΠΆΠ΅Π½ΠΈΡ ΠΈ ΠΎΡΠΈΠ΅Π½ΡΠ°ΡΠΈΠΈ Π² ΡΠ΅ΠΆΠΈΠΌΠ΅ ΡΠ΅Π°Π»ΡΠ½ΠΎΠ³ΠΎ Π²ΡΠ΅ΠΌΠ΅Π½ΠΈ ΠΎΠ±Π΅ΡΠΏΠ΅ΡΠΈΠ²Π°Π΅ΡΡΡ ΠΏΡΠΈ ΠΏΠΎΠΌΠΎΡΠΈ GPS ΠΈ ΠΈΠ½Π΅ΡΡΠΈΠ°Π»ΡΠ½ΡΡ Π΄Π°ΡΡΠΈΠΊΠΎΠ² (Π°ΠΊΡΠ΅Π»Π΅ΡΠΎΠΌΠ΅ΡΡ, Π³ΠΈΡΠΎΡΠΊΠΎΠΏ). Π Π΅Π°Π»ΠΈΠ·ΠΎΠ²Π°Π½ΠΎ ΡΠ»Π΅ΠΊΡΡΠΎΠ½Π½ΠΎΠ΅ ΡΠΏΡΠ°Π²Π»Π΅Π½ΠΈΠ΅ ΡΠΊΠ°Π½ΠΈΡΡΡΡΠΈΠΌ Π»ΡΡΠΎΠΌ Π² ΠΏΡΠ΅Π΄Π΅Π»Π°Ρ Β±45Β° ΠΏΠΎ Π²ΡΡΠΎΡΠ΅ ΠΈ Π°Π·ΠΈΠΌΡΡΡ. ΠΡΠ°ΡΠ΅Π½ΠΈΠ΅ Π°Π½ΡΠ΅Π½Ρ Π½Π° 360Β° ΠΎΠ±Π΅ΡΠΏΠ΅ΡΠΈΠ²Π°Π΅Ρ ΡΠ°Π³ΠΎΠ²ΡΡ Π΄Π²ΠΈΠ³Π°ΡΠ΅Π»Ρ. ΠΠΎΠ·ΠΌΠΎΠΆΠ½ΠΎ ΠΎΠ΄Π½ΠΎΠ²ΡΠ΅ΠΌΠ΅Π½Π½ΠΎΠ΅ ΠΎΡΡΠ»Π΅ΠΆΠΈΠ²Π°Π½ΠΈΠ΅ Π΄Π²ΠΈΠΆΠ΅Π½ΠΈΡ Π½Π΅ΡΠΊΠΎΠ»ΡΠΊΠΈΡ ΠΎΠ±ΡΠ΅ΠΊΡΠΎΠ². ΠΠ»Ρ ΡΠΏΡΠ°Π²Π»Π΅Π½ΠΈΡ ΡΠ°Π΄Π°ΡΠΎΠΌ, Π½Π°Π³Π»ΡΠ΄Π½ΠΎΠ³ΠΎ ΠΎΡΡΠ»Π΅ΠΆΠΈΠ²Π°Π½ΠΈΡ Π΄Π²ΠΈΠΆΡΡΠΈΡ ΡΡ ΠΎΠ±ΡΠ΅ΠΊΡΠΎΠ² ΠΈ ΠΈΡ ΡΠΎΠΏΠΎΡΡΠ°Π²Π»Π΅Π½ΠΈΡ Ρ ΠΊΠ°ΡΡΠΎΠΉ ΡΠ΅Π°Π»ΠΈΠ·ΠΎΠ²Π°Π½ Π³ΡΠ°ΡΠΈΡΠ΅ΡΠΊΠΈΠΉ ΠΈΠ½ΡΠ΅ΡΡΠ΅ΠΉΡ.

Π‘Π±ΠΎΡΠΊΠ° ΡΠ°Π΄Π°ΡΠ° ΠΎΡΡΡΠ΅ΡΡΠ²Π»ΡΠ΅ΡΡΡ ΠΈΠ· ΡΠΈΠΏΠΎΠ²ΡΡ ΡΠ»Π΅ΠΌΠ΅Π½ΡΠΎΠ², ΠΈΠΌΠ΅ΡΡΠΈΡ ΡΡ Π² ΡΠΈΡΠΎΠΊΠΎΠΉ ΠΏΡΠΎΠ΄Π°ΠΆΠ΅. ΠΠ°ΡΡΠ°ΡΡ Π½Π° ΡΠΈΠΏΡ ΠΈ ΠΊΠΎΠΌΠΏΠΎΠ½Π΅Π½ΡΡ Π΄Π»Ρ ΠΈΠ·Π³ΠΎΡΠΎΠ²Π»Π΅Π½ΠΈΡ ΡΠ°Π΄Π°ΡΠ° Π² ΠΏΡΠΎΡΡΠ΅ΠΉΡΠ΅ΠΉ ΠΊΠΎΠ½ΡΠΈΠ³ΡΡΠ°ΡΠΈΠΈ ΠΎΡΠ΅Π½ΠΈΠ²Π°ΡΡΡΡ ΠΏΡΠΈΠ±Π»ΠΈΠ·ΠΈΡΠ΅Π»ΡΠ½ΠΎ Π² 5000 Π΄ΠΎΠ»Π»Π°ΡΠΎΠ². ΠΠ»Ρ ΡΡΠ°Π²Π½Π΅Π½ΠΈΡ ΡΡΠΎΠΈΠΌΠΎΡΡΡ ΠΊΠΎΠΌΠΌΠ΅ΡΡΠ΅ΡΠΊΠΈΡ ΡΠ°Π΄Π°ΡΠΎΠ² ΡΠΎΠ³ΠΎ ΠΆΠ΅ ΠΊΠ»Π°ΡΡΠ° Π½Π°ΡΠΈΠ½Π°Π΅ΡΡΡ Ρ 250 ΡΡΡΡΡ Π΄ΠΎΠ»Π»Π°ΡΠΎΠ².


ΠΡΡΠΎΡΠ½ΠΈΠΊ: opennet.ru
